Справочник. Инженерная графика и черчение
- Конструктор
- Информация
Один из лучших способов донести свои идеи через какую-либо форму рисунка или рисунок. Это особенно верно для инженера. Цель этого руководства - дать вам основы инженерного рисования и черчения.
Содержание
Разделы объектов с отверстиями, ребрами
Введение
Мы будем относиться к «черчению» и «рисованию» как к одному. «Эскиз» обычно означает рисование от руки. «Рисование» обычно означает использование инструментов для рисования, от нанесения от руки до использования компьютера, для обеспечения точности рисунков.
Это всего лишь введение. Не беспокойтесь о понимании каждой детали прямо сейчас - просто получите общее представление о языке инженерной графики.
Мы надеемся, что вам понравился объект на рисунке 1, потому что вы увидите его много раз. Прежде чем мы начнем с технических чертежей, давайте взглянем на эту фигуру с нескольких точек зрения.

Рисунок 1 - Обработанный рисунок
Изометрический рисунок
Представление объекта на рисунке 2 называется изометрическим рисунком. Это одно из семейства трехмерных видов, называемых графическими рисунками. На изометрическом чертеже вертикальные линии объекта нарисованы вертикально, а горизонтальные линии в плоскостях ширины и глубины показаны под углом 30 градусов к горизонтали. Если нарисованы в соответствии с этими рекомендациями, линии, параллельные этим трем осям, имеют истинную (в масштабе) длину. Линии, которые не параллельны этим осям, не будут иметь их истинную длину.
Рисунок 2 - Изометрический чертеж
Любой технический чертеж должен показывать все: полное понимание объекта должно быть возможным из чертежа. Если изометрический чертеж может показать все детали и все размеры на одном чертеже, это идеально. Можно изобрести много информации в изометрической графике. Однако, если бы объект на рисунке 2 имел отверстие на задней стороне, его бы не было видно при использовании одного изометрического чертежа. Чтобы получить более полное представление об объекте, можно использовать проекцию.
Ортогональный рисунок
Представьте, что у вас есть объект, подвешенный на прозрачной нити внутри стеклянной коробки, как на рисунке 3.

Рисунок 3 - Блок подвешен в стеклянной коробке
Затем нарисуйте объект на каждой из трех граней, если смотреть с этого направления. Разверните коробку как на рисунке 4, и вы получите три вида. Мы называем это «многовидовым» рисунком.

Какие виды следует выбрать для чертежа с несколькими видами? Виды, раскрывающие каждую деталь об объекте. Три вида не всегда необходимы; нам нужно только столько представлений, сколько требуется для полного описания объекта. Например, некоторым объектам нужно только два вида, а другим - четыре. Круглый объект на рисунке 6 требует только двух видов.

Рисунок 6 - Объект, требующий только двух ортогональных представлений
Размеры

Рисунок 7 - Изометрический вид с размерами
Мы «измерили» объект на изометрическом чертеже на рисунке 7. В качестве общего ориентира для определения размеров постарайтесь подумать, что вы бы сделали с объектом и измерили его наиболее удобным для Вас способом. Введите столько размеров, сколько необходимо мастеру, чтобы сделать это - ни больше, ни меньше. Не кладите лишние размеры. Они не только загромождают чертеж, но, если были включены «допуски» или уровни точности, избыточные размеры часто приводят к конфликтам.
Повторные измерения из одной точки в другую приведут к неточностям. Часто лучше измерять от одного конца до разных точек. Это дает размеры эталонного стандарта. Полезно выбрать размещение размера в том порядке, в котором мастер должен создать деталь. Этот навык может потребовать некоторого опыта.
Секции
Иногда, когда внутренние детали объекта не видны снаружи, как на рисунке 8.
Рисунок 8 - Изометрический чертеж, который не показывает все в детали
Мы можем обойти это, делая вид, что разрезаем объект на плоскости и показывая «вид в разрезе». Вид в разрезе применим к таким объектам, как блоки двигателя, где детали интерьера запутаны и их было бы очень трудно понять с помощью использования «скрытых» линий (скрытые линии, как правило, пунктирные) на чертеже.
Представьте, что вы делаете разрез объекта посередине, рисунок 9:

Уберите переднюю половину, рисунок 10, и у вас получится полный разрез как на рисунке 11.

Рисунок 11 - Секционные изометрические и ортогональные виды
Поперечное сечение выглядит как на рисунке 11, если смотреть прямо вперед.
Инструменты рисования
Для подготовки чертежа можно использовать инструменты для черчения вручную - рисунок 12, а также чертеж или дизайн с помощью компьютера или САПР. Основные стандарты и условные обозначения чертежей одинаковы независимо от того, какой инструмент проектирования вы используете для создания чертежей будь то AutoCAD или Компас 3D. При обучении черчению мы подойдем к нему с точки зрения ручного черчения. Если чертеж выполнен без инструментов или САПР или мобильных приложений в САПР, он называется эскизом от руки.

Рисунок 12 - Инструменты рисования
Сборочные чертежи
Изометрическая проекция «собранной» системы опорных подушек показана на рисунке 13. Она очень близко соответствует тому, что вы действительно видите при просмотре объекта под определенным углом. Мы не можем сказать, как выглядит внутренняя часть детали с этой точки зрения.
Мы также можем показать изометрические изображения «разобранного» блока подушки - рисунок 14. Это позволяет увидеть внутренние компоненты системы подшипников. Изометрические чертежи могут четко показывать общее расположение, но не детали и размеры.

Виды в разрезе
Вид в поперечном разрезе изображает вырезанную часть объекта и является еще одним способом показать скрытые компоненты в устройстве.
Представьте себе плоскость, которая разрезает вертикально через центр блока подушки, как показано на рисунке 15. Затем представьте, что вы снимаете материал с передней части этой плоскости, как показано на рисунке 16.

Так будет выглядеть оставшаяся задняя часть. Диагональные линии (поперечные штриховки) показывают области, где материалы были разрезаны плоскостью резания. 
Рисунок 17 - Разрез «А-А»
Этот вид в поперечном разрезе (сечение A-A, рисунка 17), ортогональный направлению обзора, лучше показывает соотношение длин и диаметров. Эти чертежи сделать проще, чем изометрические чертежи. Опытные инженеры могут интерпретировать ортогональные чертежи без изометрического чертежа, но для этого требуется немного практики.
Верхний «внешний» вид подшипника показан на рисунке 18. Это ортогональная (перпендикулярная) проекция. Обратите внимание на направление стрелки для плоскости резания "A-A".

Рисунок 18 - Вид сверху «снаружи» на подшипник
Полусекций
Половина сечения представляет собой вид объекта, показывающий половину сечения в разрезе, как на рисунке 19 и 20.

Диагональные линии на чертеже сечения используются для обозначения теоретически вырезанной области. Эти линии называются сечениями или штриховкой. Линии тонкие и обычно рисуются под углом 45 градусов к основному контуру объекта. Расстояние между линиями должно быть равномерным.
Второе, более редкое использование перекрестной штриховки - указать материал объекта. Одна форма штриховки может использоваться для чугуна, другая для бронзы и так далее. Чаще всего тип материала указан в другом месте на чертеже, что делает ненужным использование различных типов штриховки.

Рисунок 21 - Половина сечения без скрытых линий
Обычно скрытые (пунктирные) линии не используются в поперечном сечении, если они не нужны для определения размеров. Кроме того, некоторые скрытые линии на неразрезанной части чертежей не нужны, рисунок 12, поскольку они становятся избыточной информацией и могут загромождать чертеж.
Секционирование объектов с отверстиями, ребрами
Поперечное сечение справа на рисунке 22 является технически правильным. Однако условное обозначение на чертеже состоит в том, чтобы показывать вид слева как предпочтительный метод для секционирования этого типа объекта.

Рисунок 22 – Сечение
Размерность
Целью определения размеров является предоставление четкого и полного описания объекта. Полный набор размеров позволит только одну интерпретацию, необходимую для построения детали. Определение размеров должно следовать этим рекомендациям.
- Точность: должны быть указаны правильные значения.
- Четкость: размеры должны быть размещены в соответствующих положениях.
- Полнота: ничего не следует упускать и ничего не дублировать.
- Читабельность: для разборчивости необходимо использовать соответствующее качество линии.
Основы: определения и размеры
Размерная линия - это тонкая линия, разбитая посередине, чтобы можно было разместить размерное значение со стрелками на каждом конце, рисунок 23.

Рисунок 23 - Габаритный чертеж
Стрелка длиной около 3 мм и шириной 1 мм. То есть длина примерно в три раза больше ширины. Выносная линия расширяет линию объекта до размерной линии. Первая размерная линия должна находиться примерно в 12 мм (0,6 дюйма) от объекта. Удлинительные линии начинаются на 1,5 мм от объекта и продолжаются на 3 мм от последней размерной линии.
Лидер - это тонкая линия, используемая для соединения измерения с определенной областью, рисунок 24.
Рисунок 24 - Пример рисунка с лидером
Лидер также может быть использован для указания заметки или комментария о конкретной области. Когда пространство ограничено, стрелки могут заменить тяжелая черная точка, как на рисунке 23. Также на этом чертеже два отверстия идентичны, что позволяет использовать обозначение «2x».
Где разместить размеры
Размеры должны быть размещены на грани, которая наиболее четко описывает элемент. Примеры правильного и неподходящего размещения размеров показаны на рисунке 25.

Рисунок 25 - Пример подходящих и неуместных размеров
Чтобы понять, что такое размерность, мы можем начать с простого прямоугольного блока. Для этого простого объекта необходимы только три измерения, чтобы полностью описать его, рисунок 26. Существует мало выбора, где поставить его размеры.

Рисунок 26 - Простой объект
Мы должны сделать выбор, когда измеряем блок с выемкой или вырезом, как на рисунке 27. Обычно лучше всего проводить измерения от общей линии или поверхности. Это можно назвать базовую линию поверхности. Это исключает добавление неточностей измерения или обработки, которые могут возникнуть из-за «цепных» или «последовательных» размеров. Обратите внимание, как размеры берут начало на опорных поверхностях. Мы выбрали одну базовую поверхность на рисунке 27, а другую на рисунке 28. Пока мы последовательны, это не имеет значения. Мы просто показываем вид сверху.

Рисунок 27-28 - Пример базовой поверхности
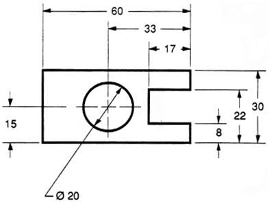
На рисунке 29 мы показали отверстие, которое мы выбрали для измерения на левой стороне объекта. Символ Ø обозначает «диаметр».

Рисунок 29 - Образец размерного отверстия
Когда левая сторона блока является «радиусом», как на рисунке 30, мы нарушаем наше правило, что мы не должны дублировать измерения. Общая длина известна потому, что дан радиус кривой с левой стороны. Затем, для ясности, мы добавляем общую длину 60 и отмечаем, что это эталонное измерение. Это означает, что это на самом деле не требуется.
Где-то на бумаге, обычно внизу, должна быть размещена информация о том, какая измерительная система используется (например, миллиметры), а также о масштабе чертежа.
Рисунок 30-31 - Пример размера отверстия
Этот чертеж симметричен относительно горизонтальной центральной линии. Центральные линии (пунктирные) используются для симметричных объектов, а также для центра окружностей и отверстий. Мы можем измерять размеры непосредственно до центральной линии, как на рисунке 31. В некоторых случаях этот метод может быть более понятным, чем просто измерение между поверхностями.








Комментарии
RSS лента комментариев этой записи